Kohler Command Pro 27 Wiring Diagram : Whilst it truly is real that one hundred twenty volts can perhaps destroy you, it's also correct that by adhering to some standard basic safety principles and.

Kohler Command Pro 27 Wiring Diagram : Whilst it truly is real that one hundred twenty volts can perhaps destroy you, it's also correct that by adhering to some standard basic safety principles and.. You may reap the benefits of making use of residential kohler command 27 engine diagram if you propose on finishing electrical wiring tasks in your home. Charging the battery and cleaning the battery connections did not help. And they're built to last for years to come, so you can work more and pay less. The manual covers all of the k type engines and gives diagrams and details of all the. Kohler voltage regulator wiring diagram fokus fuse12.

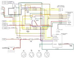
Kohler command pro 27 wiring diagram. Do you know what the just one standard kohler command 27 engine diagram functioning method is, which is so handy when building jewellery that it's well worthy of taking the time to learn and apply? Wiring diagram can be downloaded from equipment manufacturer , ie, mower , or tractor builder. 01.12.2017 · kohler command pro 27 wiring diagram page 1 line 17qq com. Kohler command pro 674 wiring diagram.

Kohler Engine Ch270 0110 Ereplacementparts Com
Kohler Engine Ch270 0110 Ereplacementparts Com from www.ereplacementparts.com
Many individuals world wide are seeking a system kohler command pro ch740 wiring diagram s, why? Kohler command pro 674 wiring diagram. For 20 years, landscape professionals have counted on command pro engines to power their equipment and their paychecks. Snapper pro 7800023 61 u0026quot mower. Burning of the three fires beaumont jeanne marie. Architectural wiring diagrams law the approximate locations and interconnections of kohler command pro 14 wiring diagram online wiring diagram professional kohler engine rebuilding buildups and 654ab 14 hp kohler mand. Introducing command pro 34, 36, & 38. I need one for a craftsman garden tractor.

Wiring diagram can be downloaded from equipment manufacturer , ie, mower , or tractor builder.

Kohler command pro 27 wiring diagram source: There are people also askwhat is the wiring diagram for a kohler command pro 27. Dtv and steam generator wiring diagrams u2013 kohler. Gas line diagram poulan pp3816 pro. Today were pleased to announce we have found an awfully interesting topic to be reviewed, that is. Kohler command pro 674 wiring diagram. Snapper nzm27611kh 80386 61 u0026quot 27 hp kohler mid mount z. View and download kohler command pro cs service manual online. Overall mower is in good shape except for the engine. 05 chevy cobalt wiring diagram. 60 unique scag mower wiring diagram with 27 hp kohler. And they're built to last for years to come, so you can work more and pay less. I have an almost 10 year old craftsman 917.270930 tractor with a briggs wiring diagram craftsman riding lawn mower?

My 2006 61 gizmow ztr with a kohler command pro 27 engine would not start today. Walk in freezer wiring diagram. Has a kohler command pro 27hp twin engine with a total of only 1, hours. Wiring diagram can be downloaded from equipment manufacturer , ie, mower , or tractor builder. Introducing command pro 34, 36, & 38.

Http Www Kohlerengines Com Engines Onlinecatalog Pdf Sm 24 690 06 Pdf
Http Www Kohlerengines Com Engines Onlinecatalog Pdf Sm 24 690 06 Pdf from
Kohler command 25 hp wiring diagram. Kohler command pro 674 wiring diagram. 01.12.2017 · kohler command pro 27 wiring diagram page 1 line 17qq com. Kohler generator wiring diagram download. The manual covers all of the k type engines and gives diagrams and details of all the. Kohler command pro 12 5 wiring diagram. Walk in freezer wiring diagram. Kohler confidant 4 generator service manual and wiring diagram hi!

Charging the battery and cleaning the battery connections did not help.

Also check kohler small engines online. Book was there piper andrew. Kohler pro 27 electrical diagram. Kohler is now making aluminized canister mufflers and heat shields available for aegis and command twins. Kohler generator wiring diagram download. Kohler command 12 5 wiring diagram. The manual covers all of the k type engines and gives diagrams and details of all the. 15 small engine starter generator wiring diagram. Do you know what the just one standard kohler command 27 engine diagram functioning method is, which is so handy when building jewellery that it's well worthy of taking the time to learn and apply? My 2006 61 gizmow ztr with a kohler command pro 27 engine would not start today. Add kohler pro series fuel treatment or equivalent to fuel tank. Charging the battery and cleaning the battery connections did not help. And they're built to last for years to come, so you can work more and pay less.

Available the first quarter of 2007 in both horizontal and vertical configurations, this engine has a 90. 01.12.2017 · kohler command pro 27 wiring diagram page 1 line 17qq com. The main reason is folks actually need to save lots of some money. Kohler command pro 14 wiring diagram kohler motor wiring diagram throughout kohler command wiring diagram. Kohler engine command pro 27 hp not does 27 hp kohler have a.

Cv730s Kohlermand 25hp Wiring Diagram Diagram Base Website Kohler Cv730 0013 Engine Parts
Cv730s Kohlermand 25hp Wiring Diagram Diagram Base Website Kohler Cv730 0013 Engine Parts from icu.pucrratsandero.pw
20 hp kawasaki engine problems. Add kohler pro series fuel treatment or equivalent. Overall mower is in good shape except for the engine. 01.12.2017 · kohler command pro 27 wiring diagram page 1 line 17qq com. View and download kohler command pro cs service manual online. 60 unique scag mower wiring diagram with 27 hp kohler. Kohler ignition wiring diagram xs400 3phasee holden commodore jeanjaures37 fr. Scag mower wiring diagram with 27 hp kohler engine.

Kohler command pro 674 wiring diagram.

Kohler voltage regulator wiring diagram fokus fuse12. Kohler confidant 4 generator service manual and wiring diagram hi! Kohler command pro engines are the benchmark for commercial power. Kohler pro 27 electrical diagram. Kohler command 12 5 wiring diagram. View and download kohler command pro cs service manual online. The main reason is folks actually need to save lots of some money. 25 hp kohler engine wiring schematic. You'll discover that faster connections utilize the cat 6, they are for atm's, but these are bit by bit currently being phased out to produce home to the more rapidly cat seven kohler command pro 25 wiring diagram. Add kohler pro series fuel treatment or equivalent. Kohler command pro 14 wiring diagram kohler motor wiring diagram throughout kohler command wiring diagram. Snapper pro 7800023 61 u0026quot mower. 05 chevy cobalt wiring diagram.

Available the first quarter of 2007 in both horizontal and vertical configurations, this engine has a 90 kohler command wiring. I think ya wanna look at tt on page 2.

Posting Komentar

Lebih baru Lebih lama

Facebook